Design and engineering

Full project design and engineering services. From small size retaining structures to big size marine constructions. Please contact our design team to discuss your project requirement: sales@meever.ae

Project engineering

We consider ourselves a project partner and long term relationships with clients are a top priority.

Our engineering department offers support with project design and value engineering and will provide cost efficient (alternate) designs and assistance to sell the concept to the project owner.

By designing and/or redesigning we are able to provide cost efficient solutions which are a benefit to all parties involved. 

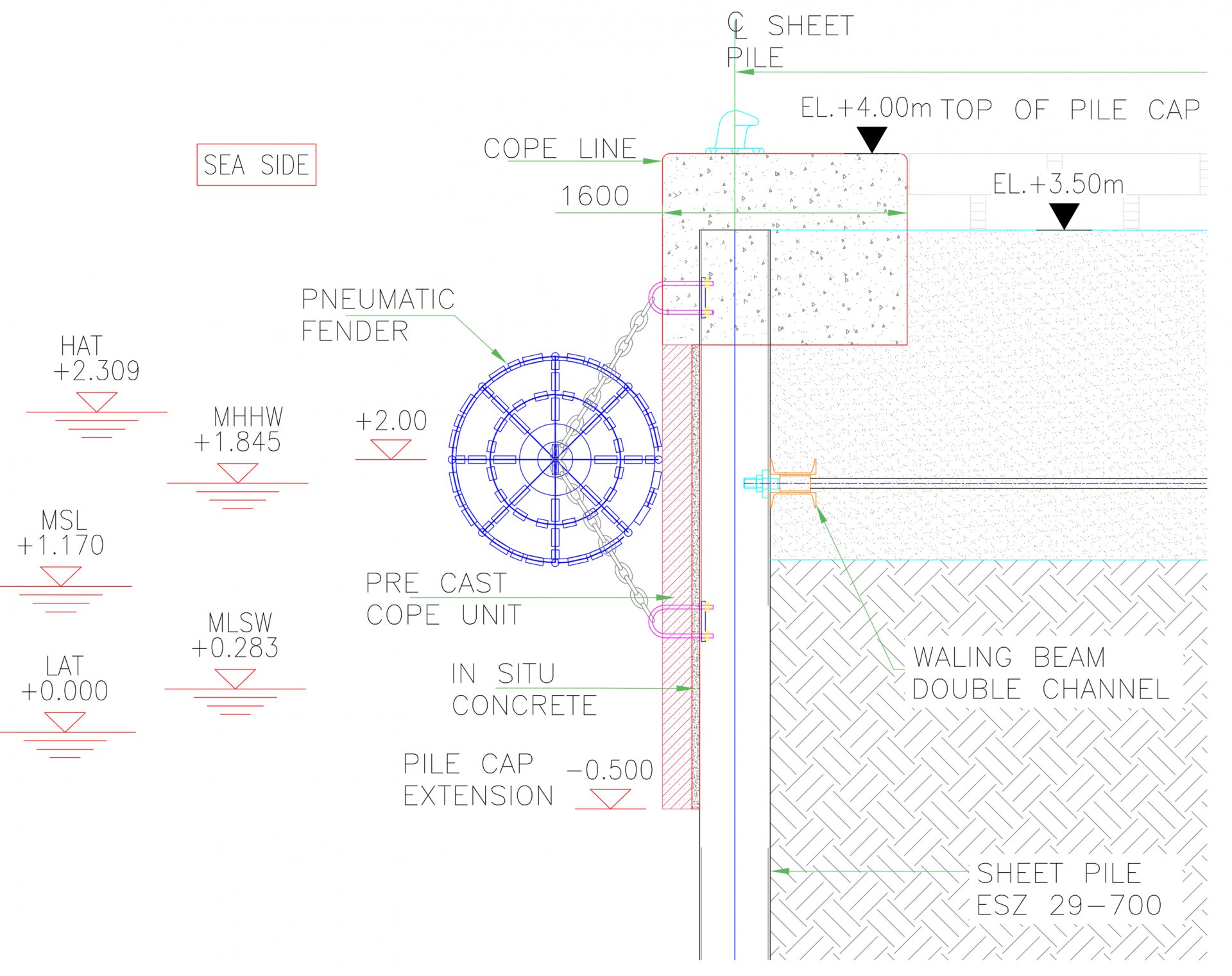
Engineering and design services

  • Geotechnical Analysis
  • Structural Analysis
  • Full Retaining Wall Detailed Design
  • Sheet Pile and Combi Wall Design
  • Fabrication Shop Drawings
  • Detailed Project reports for major projects
  • Project Management
  • FEM Analysis methods
  • Case Studies of problematic structures

Recent projects

Sheet piles ESZ 24-700 – Abu Dhabi

View

Sheet piles ESZ 26-700 – Abu Dhabi

View

Sheet piles ESZ 28-700 – Egypt

View

© Meever Middle East  | All Rights Reserved